
NOVOSENSEは、水晶発振器、複数の保護機能、ソフトスタート機能を統合したNSIP3266フルブリッジトランスドライバを発表しました。この製品は、車載用オンボード充電器(OBC)、トラクションインバーター及び充電パイル、太陽光発電及びエネルギー貯蔵、サーバー電源などのシステムの絶縁駆動電源回路に幅広く使用できます。NSIP3266は、広い入力範囲を備えたフルブリッジ トポロジーに対応します。同時に最適化したピン配置と機能設計により、絶縁型駆動電源回路の設計が大幅に簡素化され、システムメーカーがシステム回路を最適化し、製品の市場投入までの時間を短縮することが実現できます。
現在、高電圧システムにおける絶縁駆動電源には、集中型、完全分散型、半分散型の3種類があります。集中型には一つの電源で全ての負荷を供給する方式です。入力電圧範囲が広く、閉ループ制御が必要となるため、設計が複雑になります。特に、低コストの単一電源を使用する場合、複数の出力負荷の電圧調整率が異なることや、配線が長くなることでシステムの設計と調整が難しくなります。

集中型電源供給システム例
完全分散型アーキテクチャでは、独立した絶縁電源モジュールを使用して絶縁ドライバに電力を供給します。メリットは、各駆動回路に対して個別かつ独立した電源供給が可能となり、よりきめ細やかな保護機能を実現できる点にあります。しかし、必要な電源モジュールの数が多くなるため、システム全体の費用が高くなるというデメリットも抱えています。

複数の絶縁電源モジュールを使用した完全分散型アーキテクチャ例
半分散アーキテクチャは、電源供給の効率化と信頼性の向上を両立させるバランスが取れる設計です。2段階の補助電源アーキテクチャにより、第1段階では入力電圧範囲の広いデバイスを使用して安定した電圧を生成し、第2段階ではシンプルな開ループ形式で、他のデバイスを使用して絶縁ドライバに絶縁電源を提供します。半分散アーキテクチャは、設計の簡素化とコストの最適化を実現しながら、高い信頼性を確保できるため、多くのエンジニアから注目されています。

2段階の補助電源を備えた半分散アーキテクチャ例
フルブリッジトポロジーにより回路設計が簡素化実現
NOVOSENSEのフルブリッジトランスドライバNSIP3266は、半分散型電源システムの絶縁駆動に最適化された製品です。半分散アーキテクチャの一般的なトポロジー選択肢には、プッシュプル、LLC、フルブリッジなどがありますが、NSIP3266 はフルブリッジトポロジーを採用することで、シンプルな回路構成ができます。トランスに中心タップが不要になり、外部のインダクタやコンデンサの選定も不要なため、回路設計が非常にシンプルになります。外部部品も少なく済むため、システム全体の部品コストを削減できます。同時に、フルブリッジトポロジーは、トランスの漏れインダクタンスや寄生容量の影響を受けにくいため、システムの設計に柔軟性があります。

NSIP3266に採用したフルブリッジトポロジー設計
MCUの性能を最大限に引き出す、最適化した設計
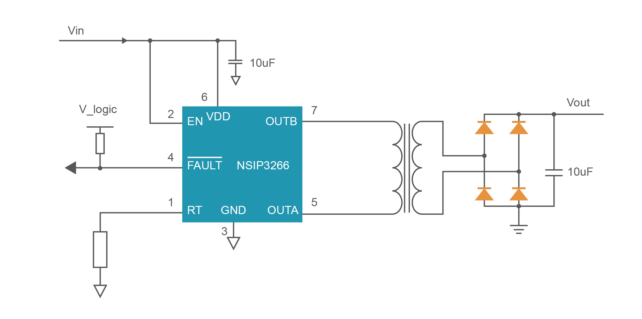
NSIP3266は、水晶振動子とRT(抵抗)ピンを内蔵することで、外部のMCUによる制御を必要とせず、抵抗器一つでスイッチング周波数を設定できるようになっています。 この設計により、回路設計が簡素化され、レイアウトの自由度が向上します。さらに、MCUに異常が発生した場合でも、安全に電源を供給し続けることができるため、システム全体の信頼性を高めます。さらに、NSIP3266は、内蔵のソフトスタート機能により、MCUによる制御を必要とせず、副側の電流制限抵抗も不要とすることで、回路設計を大幅に簡素化し、設計の自由度を高めています。

NSIP3266を使用した典型的な絶縁駆動電源回路
幅広い入力電圧に対応し、多様な保護機能を備える
NSIP3266は6.5V~26Vの広い動作電圧範囲に対応し、システム回路にTVSダイオードなどの過電圧保護部品を追加する必要がありません。このため、エンジニアはフロントエンド電源をより柔軟に選択できます。さらに、NSIP3266は、低電圧保護、過電流保護、過熱保護など、多くの保護機能を内蔵提しています。多様な保護機能により、エンジニアはシステムのコア機能の開発に集中でき、設計期間を短縮し、製品の信頼性を高めることができます。
パッケージングと製品選択
NSIP3266は、EP-MSOP8パッケージ(3.0mm×3.0mm×0.65mm、サーマルパッド付き)を採用しており、産業用グレードのNSIP3266-Dと、車載用規格AEC-Q100に準拠した車載グレードのNSIP3266-Q1が、2025年上半期に順次量産される予定です。
多様なニーズに応える幅広い絶縁製品
NOVOSENSEは、絶縁技術における蓄積と先進的な優位性を活かし、デジタルアイソレータ、絶縁サンプリング、絶縁インターフェイス、絶縁電源、絶縁ドライバなど、一連の絶縁及び「アイソレーション+」製品を提供しています。NSIP3266は、NOVOSENSEの絶縁電源シリーズの新製品です。NOVOSENSEは、プッシュプルトランスドライバ NSIP605xシリーズ、トランス及びマルチチャネルデジタルアイソレータを統合した NSIP88/89xxシリーズ及びNIRSP31xシリーズ、トランス及び絶縁インターフェイスを統合した絶縁 RS485 トランシーバ NSIP83086、絶縁CANトランシーバ NSIP1042 など、コスト効率が高く、高性能で高度に統合されたその他の製品オプションも提供しています。NOVOSENSEの幅広い「アイソレーション+」製品を提供することで、多種多様なシステム設計に対応し、お客様にワンストップのチップソリューションを提供しています。

