
NOVOSENSEは新世代の絶縁電源を統合した絶縁サンプリングチップNSI36xxシリーズの発売を発表しました。本シリーズはNSI13xxシリーズの全面的なアップグレード版で、絶縁電流アンプNSI360xシリーズ、絶縁電圧アンプNSI361xシリーズ、内部にコンパレーターとシングルエンド比例出力を統合したNSI36C00R/NSI36C1xRシリーズを含みます。

NSI36xxシリーズは産業用モータードライブ、太陽光発電インバーター、サーバー電源、新エネルギー車メインドライブ、車載充電器などの高電圧システムにおける電流・電圧サンプリングに幅広く使用できます。絶縁電源の統合、柔軟な出力構成および内蔵保護機能により、エンジニアのシステム設計における高い電力密度のサポートと外付け回路の簡素化を支援します。
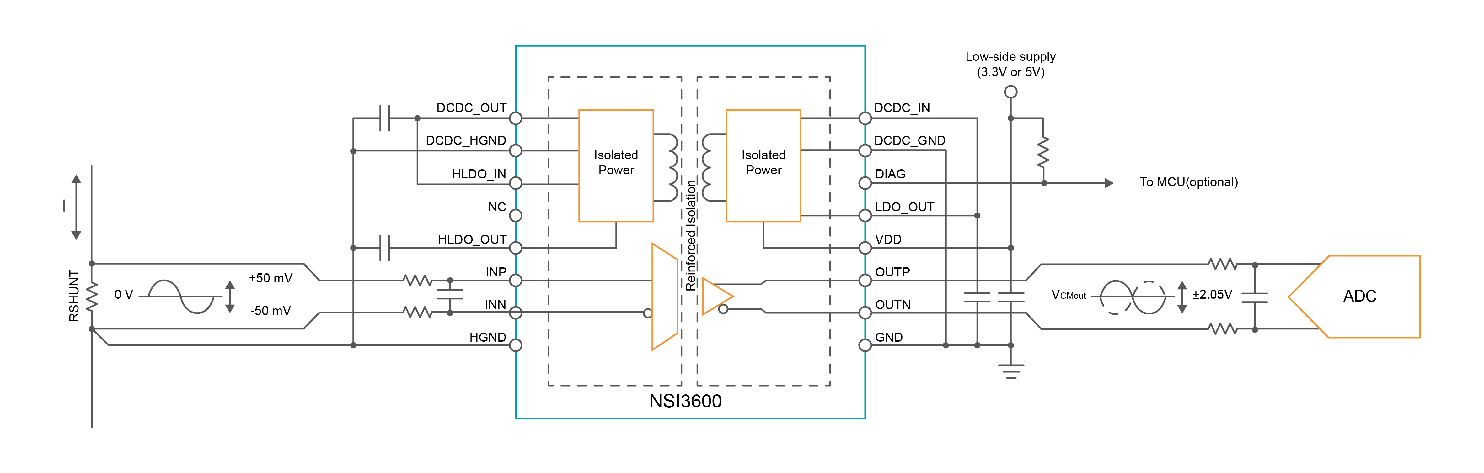
絶縁電源を統合:システムアーキテクチャを簡素化、高圧側電源供給回路が不要に
一部のフローティングサンプリング環境では、前世代製品NSI13xxシリーズを使用していた顧客は高圧側への電源供給のために別途絶縁電源を設計する必要がありました。しかし、NSI36xx全シリーズ製品は絶縁DC-DC電源を統合しており、この設計は顧客に大きな実用価値をもたらします。
• 供電設計の簡素化:従来の絶縁サンプリングソリューションでは高圧側と低圧側にそれぞれ電源を供給する必要がありましたが、NSI36xxシリーズは低圧側で単一電源を提供するだけで正常に動作するため、複雑な高圧側電源供給回路を不要にします。これは電源設計の複雑性を減らすだけでなく、開発期間を大幅に短縮します。
• システムコストの節約:絶縁電源を統合したことで、顧客は外付けの独立した絶縁電源モジュールを不要とし、全体のBOMコストを約10%〜20%削減することに貢献します。同時に、PCB面積を約30%〜50%節約でき、より小型化された設計を実現できるため、スペースが限られたアプリケーションにおいて大きな優位性を持ちます。

絶縁電源を統合したNSI36xxシリーズにおける高圧側電源供給回路の設計

絶縁電源を統合したNSI36xxシリーズにおける高圧側電源供給回路の設計
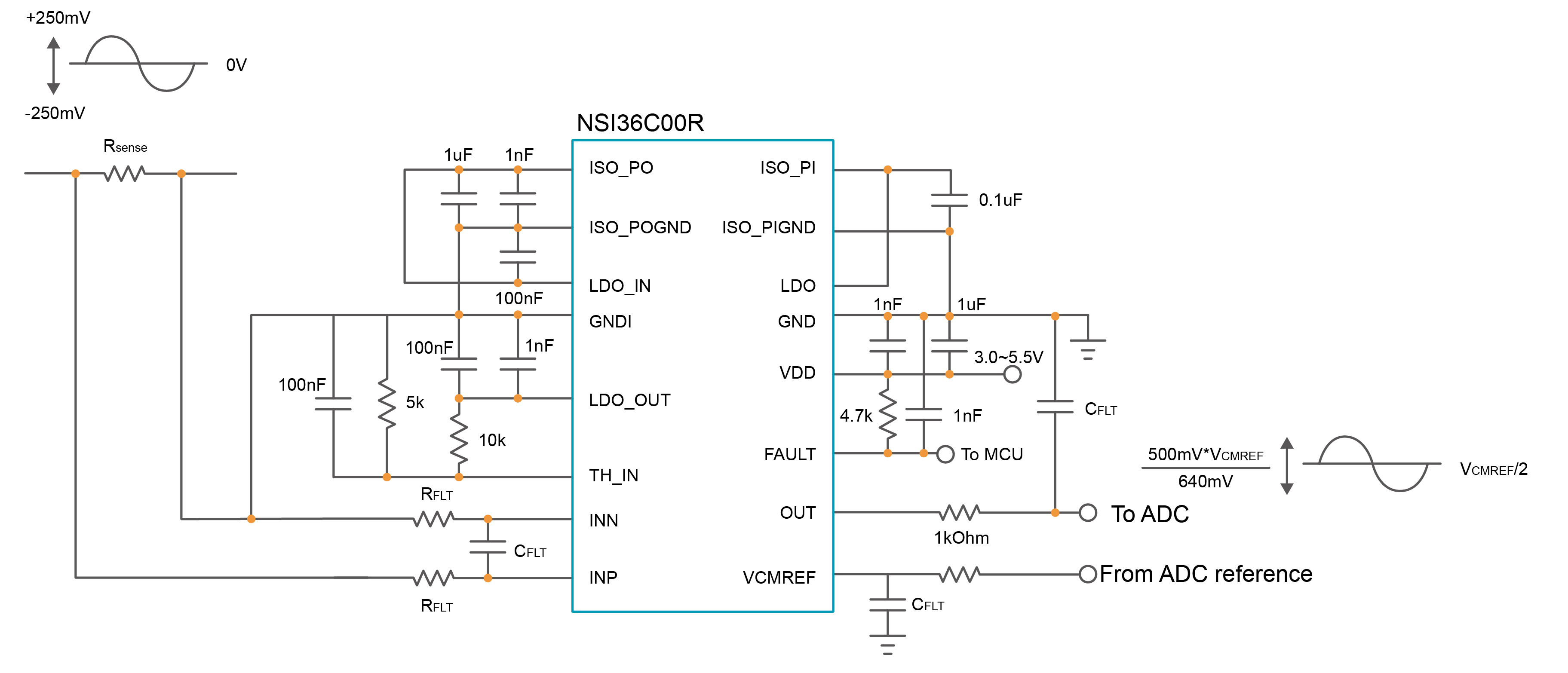
シングルエンド比例出力:柔軟なシステム適合でシグナルチェーン設計を最適化
NSI36xxシリーズの電圧サンプリングおよび電流サンプリングはシングルエンド比例出力バージョンNSI36C1xR、NSI36C00R(末尾のRがシングルエンド比例出力を示す)を提供しており、顧客のシステム設計に大きな柔軟性を提供します。
• システム互換性の強化:異なる出力構成により、顧客は具体的なアプリケーションニーズに応じて最適な製品モデルを選択できます。差分出力の長距離伝送アプリケーションでも、シングルエンド比例出力による簡素化設計でも、NSI36xxシリーズから理想的なソリューションを見つけることができます。
• シグナルチェーン設計の簡素化:比例出力アーキテクチャはバックエンドADCに直接マッチするため、信号調整回路の必要性を軽減し、システム設計をよりシンプルにします。複雑な信号調整回路に設計リソースを費やす必要がなく、さらにADCフルスケール入力を活用してシステムサンプリング精度を向上させることができます。

NSI36C00R比例型シングルエンド出力のADCへの直接接続
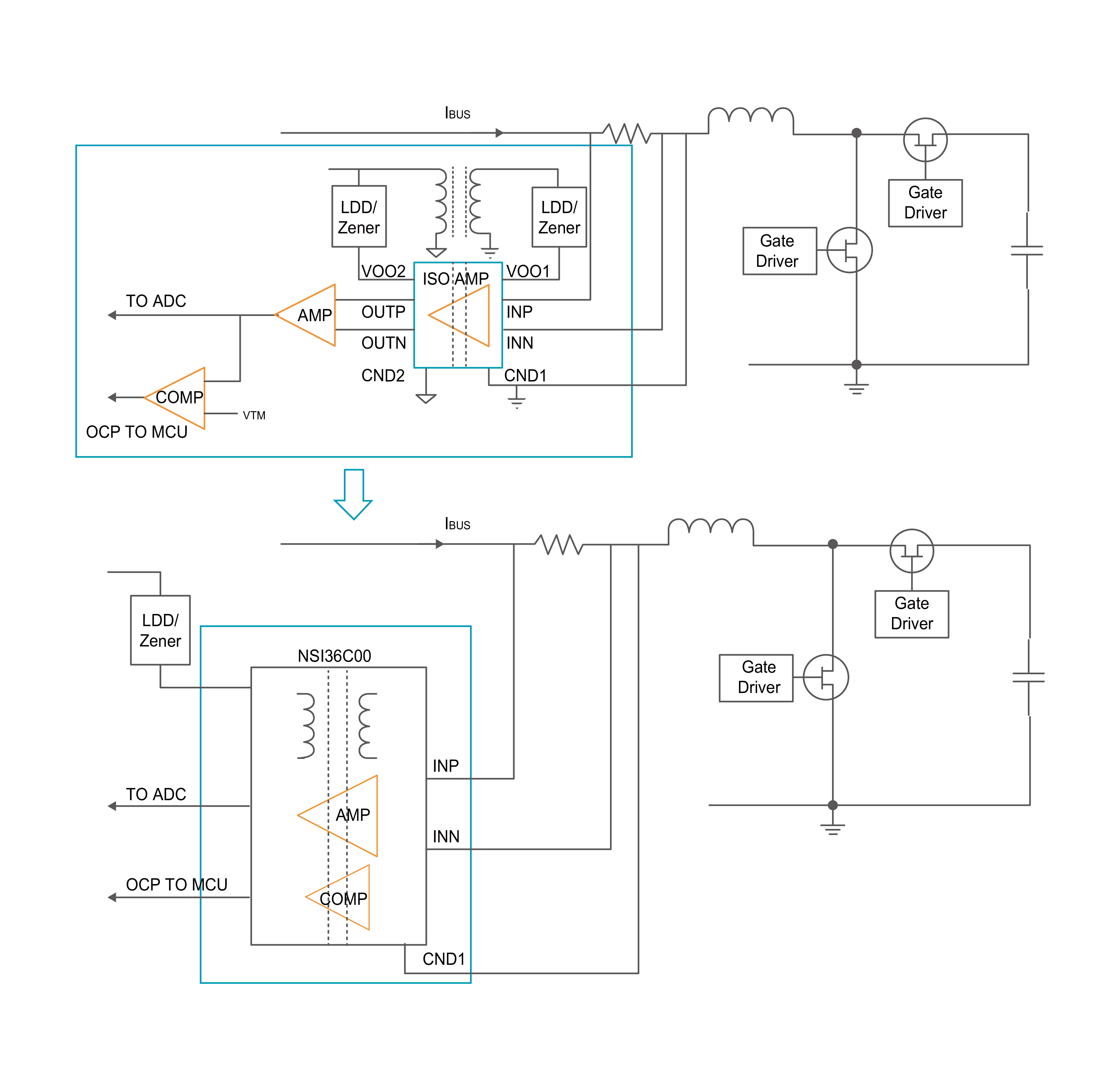
コンパレーター保護を統合:システム安全性を強化、診断の複雑性を低減
NSI36C1xR、NSI36C00Rに統合された内部コンパレーターは最終アプリケーションに追加の保護機能を提供します。
• リアルタイム故障検出:統合コンパレーターは、顧客のシステムで過電流・過電圧保護を迅速に実現。100ナノ秒以内の異常を検出して保護メカニズムをトリガーし、システムの安全性と信頼性を大幅に向上させます。チップに内蔵された過電圧・過電流回路は、外部しきい値調整が可能。より柔軟で、サイクルごとの過電流保護または高速過電圧保護制御を行うのに便利です。
• システム診断の簡素化:統合された自己診断機能とコンパレーター出力により、顧客は追加の診断回路を設計することなくシステム健全性のリアルタイム監視を容易に実現でき、システムの複雑性と開発難易度を大幅に低減します。

過電流コンパレーターを統合、伝送遅延時間300ns (typ) / 800ns (max)
パッケージングと選定
NSI36xxシリーズはSOW16パッケージを提供し、全シリーズで産業グレードおよび車載グレードバージョンをサポートします。本シリーズの初回リリースモデル:産業グレードバージョンのNSI3600D、NSI3611D、NSI3612Dは現在量産中で、最高5000Vrmsの絶縁耐圧、動作温度範囲-40℃~125℃をサポートします。シングルエンド比例出力、コンパレーター統合のその他の後続デバイスおよび対応する車載グレードバージョンは順次量産予定です。
豊富な「絶縁+」製品が多様なニーズに対応
NOVOSENSEは絶縁技術における蓄積と優位性を活かし、フルエコシステム「絶縁+」製品マトリックスを通じて、高電圧システム向けに安全かつ信頼性の高い防衛ラインを構築しています。
• 「+」は安全性の強化:NOVOSENSEの「絶縁+」製品は基本的な絶縁基準を超える安全レベルを提供し、お客様のシステムにより強固な高電圧/低電圧安全境界を構築します。
• 「+」はフル製品エコシステム:NOVOSENSEは成熟した容量結合絶縁技術IPを核として、デジタルアイソレーター、絶縁サンプリング、絶縁インターフェース、絶縁電源、絶縁ドライバーなどを含む完全な製品ラインナップを拡張し、顧客に絶縁デバイスのワンストップソリューションを提供します。
• 「+」はアプリケーションへの深いエンパワーメント:NOVOSENSEの「絶縁+」製品は電気自動車の高電圧プラットフォーム、大電力太陽光発電・蓄電・充電システム、および高集積・高効率AIサーバー電源などのシナリオにおける中核的なニーズを満たし、システムレベルの安全性、信頼性、高効率を実現します。
(出典:Novosense)

